质量稳定可靠
|
型号 |
|
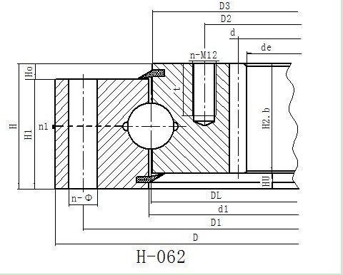
外形尺寸 |
安装尺寸 |
结构尺寸 |
齿轮参数 |
齿轮圆周力 |
轴承间隙 |
||||||||||||||||||
|
D [mm] |
De [mm] |
H [mm] |
D1 [mm] |
D2 [mm] |
n |
Φ [mm] |
M [mm] |
t |
D3 [mm] |
d1 [mm] |
H1 [mm] |
H2 [mm] |
Hu [mm] |
Ho [mm] |
D [mm] |
M [mm] |
Z [mm] |
k.m [mm] |
B [mm] |
允许 圆周力 |
最大允许圆周力 |
轴向 | 径向 | ||
|
H-062.20.0414 |
31 |
486 |
326.5 |
56 |
460 |
375 |
24 |
13.5 |
12 |
20 |
415.5 |
412.5 |
45.5 |
45.5 |
10.5 |
10.5 |
335 |
5 |
67 |
-0.75 |
45.5 |
13.54 |
27.08 |
≤0.28 |
≤0.24 |
|
H-062.20.0544 |
42 |
616 |
445.2 |
56 |
590 |
505 |
32 |
13.5 |
12 |
20 |
545.5 |
542.5 |
45.5 |
45.5 |
10.5 |
10.5 |
456 |
6 |
76 |
-0.6 |
45.5 |
16.00 |
32.00 |
≤0.30 |
≤0.26 |
|
H-062.20.0644 |
50 |
716 |
547.2 |
56 |
690 |
605 |
36 |
13.5 |
12 |
20 |
645.5 |
642.5 |
45.5 |
45.5 |
10.5 |
10.5 |
558 |
6 |
93 |
-0.6 |
45.5 |
15.62 |
31.24 |
≤0.30 |
≤0.26 |
|
H-062.20.0744 |
58 |
816 |
649.2 |
56 |
790 |
705 |
40 |
13.5 |
12 |
20 |
745.5 |
742.5 |
45.5 |
45.5 |
10.5 |
10.5 |
660 |
6 |
110 |
-0.6 |
45.5 |
15.32 |
30.64 |
≤0.30 |
≤0.26 |
|
H-062.20.0844 |
69 |
916 |
737.6 |
56 |
890 |
805 |
40 |
13.5 |
12 |
20 |
845.5 |
842.5 |
45.5 |
45.5 |
10.5 |
10.5 |
752 |
8 |
94 |
-0.8 |
45.5 |
20.8 |
41.60 |
≤0.30 |
≤0.26 |
|
H-062.20.0944 |
76 |
1016 |
841.6 |
56 |
990 |
905 |
44 |
13.5 |
12 |
20 |
945.5 |
942.5 |
45.5 |
45.5 |
10.5 |
10.5 |
856 |
8 |
107 |
-0.8 |
45.5 |
20.49 |
40.98 |
≤0.30 |
≤0.26 |
|
H-062.20.1094 |
91 |
1166 |
985.6 |
56 |
1140 |
1055 |
48 |
13.5 |
12 |
20 |
1095.5 |
1092.5 |
45.5 |
45.5 |
10.5 |
10.5 |
1000 |
8 |
125 |
-0.8 |
45.5 |
20.16 |
40.32 |
≤0.30 |
≤0.26 |