所有产品可按需求定制

质量稳定可靠

乐动(中国)无齿型

  • 产品名称: 乐动(中国)无齿型
  • 产品分类: 轻型系列乐动(中国)(薄型)
  • 联系方式: ‭‭18954556021
  • 添加时间: 21/09/24
产品详情


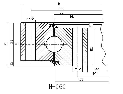
型号
DL


重量
kg

外形尺寸

安装尺寸

结构尺寸

轴承间隙

D
[mm]

de
[mm]

H
[mm]

D1
[mm]

D2
[mm]

n

Φ
[mm]

M
[mm]

t

D3
[mm]

d1
[mm]

H1
[mm]

H2
[mm]

Hu
[mm]

Ho
[mm]

轴向

径向

H-060.20.0414

29

486

342

56

460

368

24

13.5

12

-

412.5

415.5

45.5

45.5

10.5

10.5

≤0.28

≤0.24

H-060.20.0544

37

616

472

56

590

498

32

13.5

12

-

542.5

545.5

45.5

45.5

10.5

10.5

≤0.30

≤0.26

H-060.20.0644

44

716

572

56

690

598

36

13.5

12

-

642.5

645.5

45.5

45.5

10.5

10.5

≤0.30

≤0.26

H-060.20.0744

52

816

672

56

790

698

40

13.5

12

-

742.5

745.5

45.5

45.5

10.5

10.5

≤0.30

≤0.26

H-060.20.0844

60

916

772

56

890

798

40

13.5

12

-

842.5

845.5

45.5

45.5

10.5

10.5

≤0.30

≤0.26

H-060.20.0944

67

1016

872

56

990

898

44

13.5

12

-

942.5

945.5

45.5

45.5

10.5

10.5

≤0.30

≤0.26

H-060.20.1094

77

1166

1022

56

1140

1048

48

13.5

12

-

1092.5

1095.5

45.5

45.5

10.5

10.5

≤0.30

≤0.26




以上是关于Tags:乐动(中国)无齿型生产厂家,乐动(中国)无齿型价格,乐动(中国)无齿型批发,乐动(中国)无齿型哪家好的详细介绍
地区产品: 。
更新时间:21/09/24 11:00:09