|
型号
DL
|
重量
kg
|
外形尺寸
|
安装尺寸
|
结构尺寸
|
齿轮参数
|
齿轮圆周力
|
轴承间隙
|
|
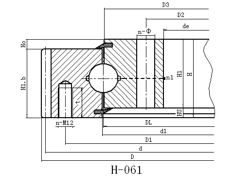
D
[mm]
|
de
[mm]
|
H
[mm]
|
D1
[mm]
|
D2
[mm]
|
n
|
Φ
[mm]
|
M
[mm]
|
t
|
D3
[mm]
|
d1
[mm]
|
H1
[mm]
|
H2
[mm]
|
Hu
[mm]
|
Ho
[mm]
|
d
[mm]
|
m
[mm]
|
z
[mm]
|
k.m
[mm]
|
b
[mm]
|
允许
圆周力
[KN]
|
最大允许
圆周力
[KN]
|
轴向
|
径向
|
|
H-061.20.0414
|
31
|
504
|
342
|
56
|
455
|
368
|
20/24
|
13.5
|
12
|
20
|
412.5
|
415.5
|
45.5
|
45.5
|
10.5
|
10.5
|
495
|
5
|
99
|
-0.5
|
45.5
|
11.75
|
23.5
|
≤0.28
|
≤0.24
|
|
H-061.20.0544
|
43
|
640.8
|
472
|
56
|
585
|
498
|
28/32
|
13.5
|
12
|
20
|
542.5
|
545.5
|
45.5
|
45.5
|
10.5
|
10.5
|
630
|
6
|
105
|
-0.6
|
45.5
|
14.2
|
28.4
|
≤0.30
|
≤0.26
|
|
H-061.20.0644
|
52
|
742.8
|
572
|
56
|
685
|
598
|
32/36
|
13.5
|
12
|
20
|
642.5
|
645.5
|
45.5
|
45.5
|
10.5
|
10.5
|
732
|
6
|
122
|
-0.6
|
45.5
|
14.2
|
28.4
|
≤0.30
|
≤0.26
|
|
H-061.20.0744
|
59
|
838.8
|
672
|
56
|
785
|
698
|
36/40
|
13.5
|
12
|
20
|
742.5
|
745.5
|
45.5
|
45.5
|
10.5
|
10.5
|
828
|
6
|
138
|
-0.6
|
45.5
|
14.2
|
28.4
|
≤0.30
|
≤0.26
|
|
H-061.20.0844
|
71
|
950.4
|
772
|
56
|
885
|
798
|
36/40
|
13.5
|
12
|
20
|
842.5
|
845.5
|
45.5
|
45.5
|
10.5
|
10.5
|
936
|
8
|
117
|
-0.8
|
45.5
|
18.93
|
37.86
|
≤0.30
|
≤0.26
|
|
H-061.20.0944
|
77
|
1046.4
|
872
|
56
|
985
|
898
|
40/44
|
13.5
|
12
|
20
|
942.5
|
945.5
|
45.5
|
45.5
|
10.5
|
10.5
|
1032
|
8
|
129
|
-0.8
|
45.5
|
18.93
|
37.86
|
≤0.30
|
≤0.26
|
|
H-061.20.1094
|
91
|
1198.4
|
1022
|
56
|
1135
|
1048
|
44/48
|
13.5
|
12
|
20
|
1092.5
|
1095.05
|
45.5
|
45.5
|
10.5
|
10.5
|
1184
|
8
|
148
|
-0.8
|
45.5
|
18.93
|
37.86
|
≤0.30
|
≤0.26
|
|
以上是关于Tags:乐动(中国)外齿型生产厂家,乐动(中国)外齿型价格,乐动(中国)外齿型批发,乐动(中国)外齿型哪家好的详细介绍
地区产品:
。