质量稳定可靠
Q系列无齿式乐动(中国)
结构特点、性能、适用范围
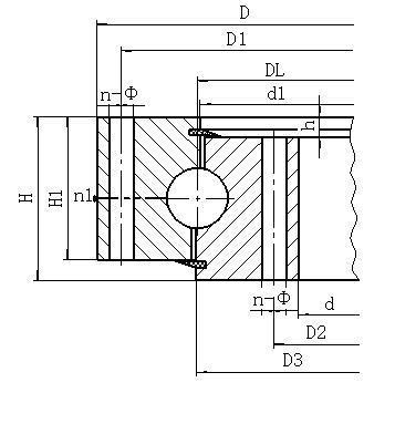
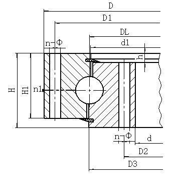
单排四点接触球式乐动(中国)由两个座圈组成,结构紧凑,重量轻,钢球与圆弧滚道四点接触,能同时承受轴向力,径向力和倾翻力矩,回转式输送机,焊接操作机,中小型起重机和挖掘机等工程机械均可选用。
齿轮的热处理状态一般为正火或调质状态根据应用场合的不同,齿轮淬火可分为全齿淬火和单齿感应淬火。单齿感应淬火又可分为齿面齿根淬火和齿面淬火。
|
序号 |
型号 |
外形尺寸 |
安装孔尺寸 |
结构 |
||||||||
|
无齿式 |
H |
Du |
Dn |
n |
通孔A |
螺孔B/C/D |
n1油杯 |
h |
||||
|
D |
d |
φ |
d1 |
T |
||||||||
|
mm |
|
mm |
|
mm |
||||||||
|
1 |
QU.315.20 |
408 |
222 |
60 |
370 |
260 |
10 |
17 |
M16 |
24 |
2 |
10 |
|
QU.315.20A |
||||||||||||
|
2 |
QU.355.20 |
448 |
262 |
60 |
410 |
300 |
10 |
17 |
M16 |
24 |
2 |
10 |
|
QU.355.20A |
||||||||||||
|
3 |
QU.400.20 |
493 |
307 |
60 |
455 |
345 |
12 |
17 |
M16 |
24 |
2 |
10 |
|
QU.400.20A |
||||||||||||
|
4 |
QU.450.20 |
543 |
357 |
60 |
505 |
395 |
12 |
17 |
M16 |
24 |
2 |
10 |
|
QU.450.20A |
||||||||||||
|
5 |
QU.500.20 |
593 |
407 |
60 |
555 |
445 |
14 |
17 |
M16 |
24 |
2 |
10 |
|
QU.500.20A |
||||||||||||
|
6 |
QU.560.20 |
656 |
464 |
70 |
618 |
502 |
14 |
17 |
M16 |
30 |
2 |
10 |
|
QU.560.20A |
||||||||||||
|
7 |
QU.630.20 |
726 |
534 |
70 |
688 |
572 |
16 |
17 |
M16 |
30 |
2 |
10 |
|
QU.630.20A |
||||||||||||
|
8 |
QU.710.20 |
806 |
614 |
70 |
768 |
652 |
18 |
17 |
M16 |
30 |
2 |
10 |
|
QU.710.20A |
||||||||||||
|
9 |
QU.800.20 |
896 |
704 |
70 |
858 |
742 |
20 |
17 |
M16 |
30 |
2 |
10 |
|
QU.800.20A |
||||||||||||
|
10 |
QU.800.25 |
908 |
692 |
78 |
864 |
736 |
18 |
22 |
M20 |
36 |
2 |
10 |
|
QU.800.25A |
||||||||||||
|
11 |
QU.900.25 |
1008 |
792 |
78 |
964 |
836 |
20 |
22 |
M20 |
36 |
2 |
10 |
|
QU.900.25A |
||||||||||||
|
12 |
QU.1000.25 |
1108 |
892 |
78 |
1064 |
936 |
24 |
22 |
M20 |
36 |
2 |
10 |
|
QU.1000.25A |
||||||||||||
|
13 |
QU.1000.32 |
1124 |
876 |
90 |
1074 |
926 |
24 |
24 |
M22 |
40 |
2 |
10 |
|
QU.1000.32A |
||||||||||||
|
14 |
QU.1120.32 |
1244 |
996 |
90 |
1194 |
1046 |
28 |
24 |
M22 |
40 |
4 |
10 |
|
QU.1120.32A |
||||||||||||
|
15 |
QU.1250.32 |
1374 |
1126 |
90 |
1324 |
1176 |
32 |
24 |
M22 |
40 |
4 |
10 |
|
QU.1250.32A |
||||||||||||
|
16 |
QU.1400.32 |
1524 |
1276 |
90 |
1474 |
1326 |
36 |
24 |
M22 |
40 |
4 |
10 |
|
QU.1400.32A |
||||||||||||
|
17 |
QU.1250.40 |
1394 |
1108 |
102 |
1336 |
1164 |
32 |
26 |
M24 |
45 |
4 |
12 |
|
QU.1250.40A |
||||||||||||
|
18 |
QU.1400.40 |
1544 |
1258 |
102 |
1486 |
1314 |
36 |
26 |
M24 |
45 |
4 |
12 |
|
QU.1400.40A |
||||||||||||
|
19 |
QU.1600.40 |
1744 |
1458 |
102 |
1686 |
1514 |
40 |
26 |
M24 |
45 |
4 |
12 |
|
QU.1600.40A |
||||||||||||
|
20 |
QU.1800.40 |
1944 |
1658 |
102 |
1886 |
1714 |
44 |
26 |
M24 |
45 |
4 |
12 |
|
QU.1800.40A |
||||||||||||
|
21 |
QU.1600.50 |
1766 |
1434 |
124 |
1704 |
1496 |
40 |
30 |
M27 |
50 |
4 |
12 |
|
QU.1600.50A |
||||||||||||
|
22 |
QU.1800.50 |
1966 |
1634 |
124 |
1904 |
1696 |
44 |
30 |
M27 |
50 |
4 |
12 |
|
QU.1800.50A |
||||||||||||
|
23 |
QU.2000.50 |
2166 |
1834 |
124 |
2104 |
1896 |
48 |
30 |
M27 |
50 |
6 |
12 |
|
QU.2000.50A |
||||||||||||
|
24 |
QU.2240.50 |
2406 |
2074 |
124 |
2344 |
2136 |
54 |
30 |
M27 |
50 |
6 |
12 |
|
QU.2240.50A |
||||||||||||
|
25 |
QU.2500.50 |
2666 |
2334 |
124 |
2604 |
2396 |
60 |
30 |
M27 |
50 |
6 |
12 |
|
QU.2500.50A |
||||||||||||
|
26 |
QU.2500.60 |
2696 |
2304 |
150 |
2626 |
2374 |
60 |
33 |
M30 |
56 |
6 |
14 |
|
QU.2500.60A |
||||||||||||
注:
1、n1为润滑油孔数,均布:油杯M10×1 JB/T7940.1-JB/T7940.2
2、安装孔n-Φ可改用螺孔;齿宽b可改为H-h。
3、表内齿轮圆周力为最大圆周力,额定圆周力取其1/2。