质量稳定可靠
Q系列外齿型转盘轴承
结构特点、性能、适用范围
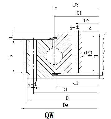
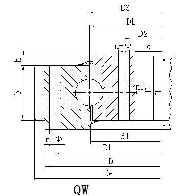
单排四点接触球式乐动(中国)由两个座圈组成,结构紧凑,重量轻,钢球与圆弧滚道四点接触,能同时承受轴向力,径向力和倾翻力矩,回转式输送机,焊接操作机,中小型起重机和挖掘机等工程机械均可选用。
由于传递力的需要,乐动(中国)其中一个套圈上通常制有齿。齿轮的热处理状态一般为正火或调质状态。齿表面也可按照用户的要求淬火处理,淬火硬度在HRC50~60,并且能够保证足够的深度。
|
序号 |
型号 |
外形尺寸 |
安装孔尺寸 |
结构 |
齿轮参数 |
||||||||||||
|
外齿式 |
H |
Du |
Dn |
n |
通孔A |
螺孔B/C/D |
n1油杯 |
h |
B |
m |
外齿式x=-0.5 |
||||||
|
De |
齿数z |
重量 |
|||||||||||||||
|
D |
d |
φ |
d1 |
T |
|||||||||||||
|
mm |
|
mm |
|
mm |
mm |
|
kg |
||||||||||
|
1 |
QW.315.20 |
406 |
222 |
60 |
370 |
260 |
10 |
17 |
M16 |
24 |
2 |
10 |
40 |
3 |
423 |
140 |
35 |
|
QW.315.20A |
4 |
428 |
106 |
36 |
|||||||||||||
|
2 |
QW.355.20 |
446 |
262 |
60 |
410 |
300 |
10 |
17 |
M16 |
24 |
2 |
10 |
40 |
3 |
462 |
153 |
40 |
|
QW.355.20A |
4 |
468 |
116 |
41 |
|||||||||||||
|
3 |
QW.400.20 |
490 |
307 |
60 |
455 |
345 |
12 |
17 |
M16 |
24 |
2 |
10 |
40 |
4 |
512 |
127 |
45 |
|
QW.400.20A |
5 |
520 |
103 |
47 |
|||||||||||||
|
4 |
QW.450.20 |
540 |
357 |
60 |
505 |
395 |
12 |
17 |
M16 |
24 |
2 |
10 |
40 |
4 |
564 |
140 |
51 |
|
QW.450.20A |
5 |
570 |
113 |
53 |
|||||||||||||
|
5 |
QW.500.20 |
590 |
407 |
60 |
555 |
445 |
14 |
17 |
M16 |
24 |
2 |
10 |
40 |
5 |
615 |
122 |
56 |
|
QW.500.20A |
6 |
624 |
103 |
58 |
|||||||||||||
|
6 |
QW.560.20 |
654 |
464 |
70 |
618 |
502 |
14 |
17 |
M16 |
30 |
2 |
10 |
50 |
4 |
680 |
169 |
78 |
|
QW.560.20A |
5 |
685 |
136 |
79 |
|||||||||||||
|
7 |
QW.630.20 |
724 |
534 |
70 |
688 |
572 |
16 |
17 |
M16 |
30 |
2 |
10 |
50 |
4 |
748 |
186 |
86 |
|
QW.630.20A |
5 |
755 |
150 |
88 |
|||||||||||||
|
8 |
QW.710.20 |
804 |
614 |
70 |
768 |
652 |
18 |
17 |
M16 |
30 |
2 |
10 |
50 |
5 |
835 |
166 |
99 |
|
QW.710.20A |
6 |
840 |
139 |
101 |
|||||||||||||
|
9 |
QW.800.20 |
894 |
704 |
70 |
858 |
742 |
20 |
17 |
M16 |
30 |
2 |
10 |
50 |
6 |
930 |
154 |
114 |
|
QW.800.20A |
8 |
936 |
116 |
114 |
|||||||||||||
|
10 |
QW.800.25 |
904 |
692 |
78 |
864 |
736 |
18 |
22 |
M20 |
36 |
2 |
10 |
58 |
6 |
942 |
156 |
143 |
|
QW.800.25A |
8 |
952 |
118 |
147 |
|||||||||||||
|
11 |
QW.900.25 |
1004 |
792 |
78 |
964 |
836 |
20 |
22 |
M20 |
36 |
2 |
10 |
58 |
8 |
1048 |
130 |
162 |
|
QW.900.25A |
10 |
1060 |
105 |
168 |
|||||||||||||
|
12 |
QW.1000.25 |
1104 |
892 |
78 |
1064 |
936 |
24 |
22 |
M20 |
36 |
2 |
10 |
58 |
8 |
1152 |
143 |
182 |
|
QW.1000.25A |
10 |
1160 |
115 |
185 |
|||||||||||||
|
13 |
QW.1000.32 |
1120 |
876 |
90 |
1074 |
926 |
24 |
24 |
M22 |
40 |
2 |
10 |
70 |
8 |
1160 |
144 |
227 |
|
QW.1000.32A |
10 |
1170 |
116 |
232 |
|||||||||||||
|
14 |
QW.1120.32 |
1240 |
996 |
90 |
1194 |
1046 |
28 |
24 |
M22 |
40 |
4 |
10 |
70 |
10 |
1300 |
129 |
272 |
|
QW.1120.32A |
12 |
1308 |
108 |
275 |
|||||||||||||
|
15 |
QW.1250.32 |
1370 |
1126 |
90 |
1324 |
1176 |
32 |
24 |
M22 |
40 |
4 |
10 |
70 |
10 |
1430 |
142 |
302 |
|
QW.1250.32A |
12 |
1440 |
119 |
309 |
|||||||||||||
|
16 |
QW.1400.32 |
1520 |
1276 |
90 |
1474 |
1326 |
36 |
24 |
M22 |
40 |
4 |
10 |
70 |
12 |
1584 |
131 |
337 |
|
QW.1400.32A |
14 |
1596 |
113 |
347 |
|||||||||||||
|
17 |
QW.1250.40 |
1390 |
1108 |
102 |
1336 |
1164 |
32 |
26 |
M24 |
45 |
4 |
12 |
80 |
10 |
1450 |
144 |
396 |
|
QW.1250.40A |
12 |
1452 |
120 |
392 |
|||||||||||||
|
18 |
QW.1400.40 |
1540 |
1258 |
102 |
1486 |
1314 |
36 |
26 |
M24 |
45 |
4 |
12 |
80 |
12 |
1608 |
133 |
448 |
|
QW.1400.40A |
14 |
1610 |
114 |
443 |
|||||||||||||
|
19 |
QW.1600.40 |
1740 |
1458 |
102 |
1686 |
1514 |
40 |
26 |
M24 |
45 |
4 |
12 |
80 |
12 |
1812 |
150 |
528 |
|
QW.1600.40A |
14 |
1820 |
129 |
534 |
|||||||||||||
|
20 |
QW.1800.40 |
1940 |
1658 |
102 |
1886 |
1714 |
44 |
26 |
M24 |
45 |
4 |
12 |
80 |
14 |
2016 |
143 |
583 |
|
QW.1800.40A |
16 |
2032 |
126 |
607 |
|||||||||||||
|
21 |
QW.1600.50 |
1762 |
1434 |
124 |
1704 |
1496 |
40 |
30 |
M27 |
50 |
4 |
12 |
100 |
12 |
1824 |
151 |
714 |
|
QW.1600.50A |
14 |
1834 |
130 |
727 |
|||||||||||||
|
22 |
QW.1800.50 |
1964 |
1634 |
124 |
1904 |
1696 |
44 |
30 |
M27 |
50 |
4 |
12 |
100 |
14 |
2044 |
145 |
845 |
|
QW.1800.50A |
16 |
2048 |
127 |
843 |
|||||||||||||
|
23 |
QW.2000.50 |
2162 |
1834 |
124 |
2104 |
1896 |
48 |
30 |
M27 |
50 |
6 |
12 |
100 |
16 |
2240 |
139 |
912 |
|
QW.2000.50A |
18 |
2250 |
124 |
927 |
|||||||||||||
|
24 |
QW.2240.50 |
2402 |
2074 |
124 |
2344 |
2136 |
54 |
30 |
M27 |
50 |
6 |
12 |
100 |
16 |
2480 |
154 |
1020 |
|
QW.2240.50A |
18 |
2502 |
138 |
1078 |
|||||||||||||
|
25 |
QW.2500.50 |
2662 |
2334 |
124 |
2604 |
2396 |
60 |
30 |
M27 |
50 |
6 |
12 |
100 |
18 |
2754 |
152 |
1171 |
|
QW.2500.50A |
20 |
2760 |
137 |
1175 |
|||||||||||||
|
26 |
QW.2500.60 |
2696 |
2304 |
150 |
2626 |
2374 |
60 |
33 |
M30 |
56 |
6 |
14 |
122 |
18 |
2790 |
154 |
1677 |
|
QW.2500.60A |
20 |
2800 |
139 |
1701 |
|||||||||||||
注:
1、n1为润滑油孔数,均布:油杯M10×1 JB/T7940.1-JB/T7940.2
2、安装孔n-Φ可改用螺孔;齿宽b可改为H-h。
3、表内齿轮圆周力为最大圆周力,额定圆周力取其1/2。