质量稳定可靠
结构特点、性能、适用范围
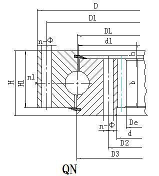
单排四点接触球式乐动(中国)由两个座圈组成,结构紧凑,重量轻,钢球与圆弧滚道四点接触,能同时承受轴向力,径向力和倾翻力矩,回转式输送机,焊接操作机,中小型起重机和挖掘机等工程机械均可选用。
|
序号 |
型号 |
|
安装孔尺寸 |
结构 |
齿轮参数 |
||||||||||||
|
内齿式 |
H |
Du |
Dn |
n |
通孔A |
螺孔B/C/D |
n1油杯 |
h |
B |
m |
内齿式x=+0.5 |
||||||
|
de |
齿数z |
重量 |
|||||||||||||||
|
D |
d |
φ |
d1 |
T |
|||||||||||||
|
|
|
mm |
|
mm |
mm |
mm |
|
kg |
|||||||||
|
1 |
QN.315.20 |
408 |
224 |
60 |
370 |
260 |
10 |
17 |
M16 |
24 |
2 |
10 |
40 |
3 |
207 |
70 |
34 |
|
QN.315.20A |
4 |
200 |
51 |
35 |
|||||||||||||
|
2 |
QN.355.20 |
448 |
264 |
60 |
410 |
300 |
10 |
17 |
M16 |
24 |
2 |
10 |
40 |
3 |
246 |
84 |
39 |
|
QN.355.20A |
4 |
240 |
61 |
40 |
|||||||||||||
|
3 |
QN.400.20 |
493 |
310 |
60 |
455 |
345 |
12 |
17 |
M16 |
24 |
2 |
10 |
40 |
4 |
288 |
73 |
44 |
|
QN.400.20A |
5 |
280 |
57 |
46 |
|||||||||||||
|
4 |
QN.450.20 |
543 |
360 |
60 |
505 |
395 |
12 |
17 |
M16 |
24 |
2 |
10 |
40 |
4 |
336 |
85 |
50 |
|
QN.450.20A |
5 |
330 |
67 |
52 |
|||||||||||||
|
5 |
QN.500.20 |
593 |
410 |
60 |
555 |
445 |
14 |
17 |
M16 |
24 |
2 |
10 |
40 |
5 |
385 |
78 |
55 |
|
QN.500.20A |
6 |
378 |
64 |
57 |
|||||||||||||
|
6 |
QN.560.20 |
656 |
468 |
70 |
618 |
502 |
14 |
17 |
M16 |
30 |
2 |
10 |
50 |
4 |
440 |
111 |
76 |
|
QN.560.20A |
5 |
435 |
88 |
77 |
|||||||||||||
|
7 |
QN.630.20 |
726 |
538 |
70 |
688 |
572 |
16 |
17 |
M16 |
30 |
2 |
10 |
50 |
4 |
512 |
129 |
84 |
|
QN.630.20A |
5 |
505 |
102 |
86 |
|||||||||||||
|
8 |
QN.710.20 |
806 |
618 |
70 |
768 |
652 |
18 |
17 |
M16 |
30 |
2 |
10 |
50 |
5 |
585 |
118 |
97 |
|
QN.710.20A |
6 |
582 |
98 |
97 |
|||||||||||||
|
9 |
QN.800.20 |
896 |
708 |
70 |
858 |
742 |
20 |
17 |
M16 |
30 |
2 |
10 |
50 |
6 |
672 |
113 |
110 |
|
QN.800.20A |
8 |
664 |
84 |
111 |
|||||||||||||
|
10 |
QN.800.25 |
908 |
694 |
78 |
864 |
736 |
18 |
22 |
M20 |
36 |
2 |
10 |
58 |
6 |
654 |
110 |
142 |
|
QN.800.25A |
8 |
648 |
82 |
142 |
|||||||||||||
|
11 |
QN.900.25 |
1008 |
794 |
78 |
964 |
836 |
20 |
22 |
M20 |
36 |
2 |
10 |
58 |
8 |
744 |
94 |
163 |
|
QN.900.25A |
10 |
740 |
75 |
162 |
|||||||||||||
|
12 |
QN.1000.25 |
1108 |
894 |
78 |
1064 |
936 |
24 |
22 |
M20 |
36 |
2 |
10 |
58 |
8 |
848 |
107 |
178 |
|
QN.1000.25A |
10 |
840 |
85 |
179 |
|||||||||||||
|
13 |
QN.1000.32 |
1124 |
880 |
90 |
1074 |
926 |
24 |
24 |
M22 |
40 |
2 |
10 |
70 |
8 |
832 |
105 |
230 |
|
QN.1000.32A |
10 |
830 |
84 |
227 |
|||||||||||||
|
14 |
QN.1120.32 |
1244 |
1000 |
90 |
1194 |
1046 |
28 |
24 |
M22 |
40 |
4 |
10 |
70 |
10 |
940 |
95 |
263 |
|
QN.1120.32A |
12 |
936 |
79 |
262 |
|||||||||||||
|
15 |
QN.1250.32 |
1374 |
1130 |
90 |
1324 |
1176 |
32 |
24 |
M22 |
40 |
4 |
10 |
70 |
10 |
1070 |
108 |
294 |
|
QN.1250.32A |
12 |
1068 |
90 |
290 |
|||||||||||||
|
16 |
QN.1400.32 |
1524 |
1280 |
90 |
1474 |
1326 |
36 |
24 |
M22 |
40 |
4 |
10 |
70 |
12 |
1212 |
102 |
333 |
|
QN.1400.32A |
14 |
1204 |
87 |
336 |
|||||||||||||
|
17 |
QN.1250.40 |
1394 |
1110 |
102 |
1336 |
1164 |
32 |
26 |
M24 |
45 |
4 |
12 |
80 |
10 |
1050 |
106 |
388 |
|
QN.1250.40A |
12 |
1044 |
88 |
388 |
|||||||||||||
|
18 |
QN.1400.40 |
1544 |
1260 |
102 |
1486 |
1314 |
36 |
26 |
M24 |
45 |
4 |
12 |
80 |
12 |
1188 |
100 |
444 |
|
QN.1400.40A |
14 |
1190 |
86 |
434 |
|||||||||||||
|
19 |
QN.1600.40 |
1744 |
1460 |
102 |
1686 |
1514 |
40 |
26 |
M24 |
45 |
4 |
12 |
80 |
12 |
1392 |
117 |
509 |
|
QN.1600.40A |
14 |
1386 |
100 |
511 |
|||||||||||||
|
20 |
QN.1800.40 |
1944 |
1660 |
102 |
1886 |
1714 |
44 |
26 |
M24 |
45 |
4 |
12 |
80 |
14 |
1582 |
114 |
576 |
|
QN.1800.40A |
16 |
1568 |
99 |
591 |
|||||||||||||
|
21 |
QN.1600.50 |
1766 |
1438 |
124 |
1704 |
1496 |
40 |
30 |
M27 |
50 |
4 |
12 |
100 |
12 |
1368 |
115 |
714 |
|
QN.1600.50A |
14 |
1358 |
98 |
723 |
|||||||||||||
|
22 |
QN.1800.50 |
1966 |
1638 |
124 |
1904 |
1696 |
44 |
30 |
M27 |
50 |
4 |
12 |
100 |
14 |
1568 |
113 |
794 |
|
QN.1800.50A |
16 |
1552 |
98 |
818 |
|||||||||||||
|
23 |
QN.2000.50 |
2166 |
1842 |
124 |
2104 |
1896 |
48 |
30 |
M27 |
50 |
6 |
12 |
100 |
16 |
1760 |
111 |
891 |
|
QN.2000.50A |
18 |
1746 |
98 |
913 |
|||||||||||||
|
24 |
QN.2240.50 |
2406 |
2078 |
124 |
2344 |
2136 |
54 |
30 |
M27 |
50 |
6 |
12 |
100 |
16 |
1984 |
125 |
1044 |
|
QN.2240.50A |
18 |
1980 |
111 |
1041 |
|||||||||||||
|
25 |
QN.2500.50 |
2666 |
2342 |
124 |
2604 |
2396 |
60 |
30 |
M27 |
50 |
6 |
12 |
100 |
18 |
2250 |
126 |
1132 |
|
QN.2500.50A |
20 |
2240 |
113 |
1148 |
|||||||||||||
|
26 |
QN.2500.60 |
2696 |
2308 |
150 |
2626 |
2374 |
60 |
33 |
M30 |
56 |
6 |
14 |
122 |
18 |
2214 |
124 |
1621 |
|
QN.2500.60A |
20 |
2200 |
111 |
1654 |
|||||||||||||
注:
1、n1为润滑油孔数,均布:油杯M10×1 JB/T7940.1-JB/T7940.2
2、安装孔n-Φ可改用螺孔;齿宽b可改为H-h。
3、表内齿轮圆周力为最大圆周力,额定圆周力取其1/2。