所有产品可按需求定制

质量稳定可靠

乐动(中国)无齿型

  • 产品名称: 乐动(中国)无齿型
  • 产品分类: 小型轴承
  • 联系方式: ‭‭18954556021
  • 添加时间: 19/06/20
产品详情


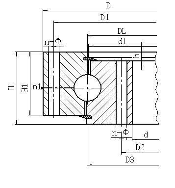
乐动(中国)主要是用于大型机械,例如塔机、挖掘机、混凝土机器等。所以为了保证其实际施工仙项目中的有效应用,对于其性能要求比较严格。其主体构造主要是由圈、轴圈、滚动体、隔离块组成,其中核心部件是利用乐动(中国),可以承受轴向力和径向力。想要生产出合格的转盘轴承,就需要掌握更加全方面的加工流程。


序号 无齿式 外型尺寸 安装孔尺寸 重量
外径 内径 总高度 内外圈高度 高度差 外孔距 内孔距 孔数 通孔 丝孔 kg
DL(mm) D(mm) d(mm) H(mm) H1(mm) h(mm) D1(mm) D2(mm) n Φ(mm) dm
1 010.10.100 135 65 22 20 2 120 80 8 9 M8 1
2 010.10.120 160 80 27 23 4 146 94 8 9 M8 3
3 010.10.150 200 100 30 25 5 180 120 8 9 M8 5
4 010.10.180 234 124.5 36 30.5 5.5 214 .144.5 8 9 M8 7


以上是关于Tags:乐动(中国)无齿型生产厂家,乐动(中国)无齿型价格,乐动(中国)无齿型批发,乐动(中国)无齿型哪家好的详细介绍
地区产品: 。
更新时间:19/06/20 15:12:06