质量稳定可靠
对于加工中的精度控制,需要使用对比的测量方法进行轴承尺寸测量,对于要求比较高的装配尺寸,需要使用量块和标准件作为对比测量的尺寸基准。所选择的量块一定要符合标准,标准件还要符合相关规定,滚道沟位检测需要设计专用的沟位样板。
轴承尺寸测量温度条件也有显示,测量环境要在二十度,其中使用轴承、量块、测量仪器、标准件之间的温度都要相同。如果放置在同一块金属平板上,可以在短时间内实现相应的温度平衡,如果采取措施不当,保持温度平衡花费的时间比较长。
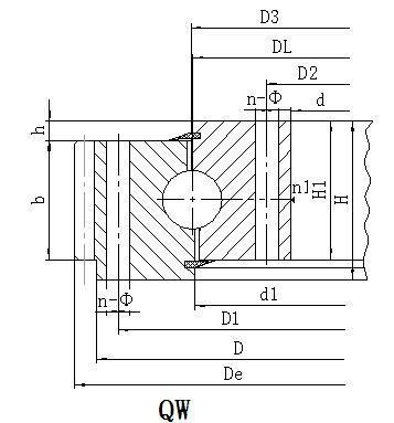
| 序号 | 外齿式 | 外型尺寸 | 安装孔尺寸 | 齿轮参数 | 重量 | |||||||||||
| 外径 | 内径 | 总高度 | 内外圈高度 | 高度差 | 外孔距 | 内孔距 | 孔数 | 通孔 | 丝孔 | 齿宽 | 模数 | 齿顶圆直径 | 齿数 | kg | ||
| DL(mm) | D(mm) | d(mm) | H(mm) | H1(mm) | h(mm) | D1(mm) | D2(mm) | n | Φ(mm) | dm | b(mm) | M(mm) | De(mm) | Z | ||
| 1 | 011.10.100 | 135 | 65 | 22 | 20 | 2 | 120 | 80 | 8 | 9 | M8 | 20 | 2 | 144 | 70 | 1.5 |
| 2 | 011.10.120 | 160 | 80 | 27 | 23 | 4 | 146 | 94 | 8 | 9 | M8 | 20 | 2 | 174 | 85 | 3.5 |
| 3 | 011.10.150 | 200 | 100 | 30 | 25 | 5 | 180 | 120 | 8 | 9 | M8 | 20 | 2 | 214 | 105 | 5.5 |
| 4 | 011.10.180 | 234 | 124.5 | 36 | 30.5 | 5.5 | 214 | .144.5 | 8 | 9 | M8 | 28 | 2 | 244 | 120 | 7.5 |