质量稳定可靠
HJ系列内齿型乐动(中国)
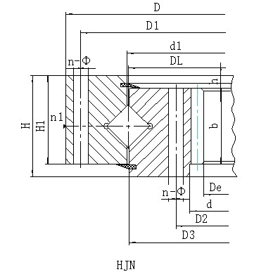
结构特点、性能、适用范围
单排交叉滚柱式乐动(中国),由两个座圈组成,结构紧凑、重量轻、制造精度高,装配间隙小,对安装精度要求高,滚柱为1:1交叉排列,能同时承受轴向力,倾翻力矩和较大的径向力,被广泛地用于起重运输、工程机械和军工产品上。
|
序号 |
内齿式 |
外型尺寸 |
安装尺寸 |
结构尺寸 |
齿轮参数 |
齿轮 |
参考 |
|||||||||||||
|
D |
d |
H |
D1 |
D2 |
n |
mm |
n1 |
D3 |
d1 |
H1 |
h |
b |
x |
m |
De |
z |
调质 |
|||
|
1 |
HJN.20.625 |
725 |
525 |
80 |
685 |
565 |
18 |
18 |
3 |
627 |
623 |
68 |
12 |
60 |
1.4 |
5 |
498.8 |
101 |
5.2 |
100 |
|
HJN.20.625A |
1.15 |
6 |
496.7 |
84 |
6.2 |
|||||||||||||||
|
2 |
HJN.20.720 |
820 |
620 |
80 |
780 |
660 |
18 |
18 |
3 |
722 |
718 |
68 |
12 |
60 |
1.4 |
6 |
586.6 |
99 |
6.2 |
120 |
|
HJN.20.720A |
1 |
8 |
582.3 |
74 |
8.3 |
|||||||||||||||
|
3 |
HJN.30.820 |
940 |
705 |
95 |
893 |
749 |
24 |
20 |
4 |
822 |
818 |
83 |
12 |
70 |
1.4 |
6 |
664.5 |
112 |
7.2 |
210 |
|
HJN.30.820A |
1 |
10 |
658 |
67 |
12.2 |
|||||||||||||||
|
4 |
HJN.30.880 |
1000 |
760 |
95 |
956 |
800 |
24 |
20 |
4 |
882 |
878 |
83 |
12 |
70 |
1.15 |
8 |
718.2 |
91 |
9.7 |
230 |
|
HJN.30.880A |
1 |
10 |
707.9 |
72 |
12.2 |
|||||||||||||||
|
5 |
HJN.30.1020 |
1170 |
875 |
95 |
1120 |
930 |
24 |
22 |
4 |
1022 |
1018 |
80 |
15 |
70 |
1.4 |
8 |
830.1 |
105 |
9.7 |
300 |
|
HJN.30.1020A |
1.15 |
10 |
827.8 |
84 |
12.2 |
|||||||||||||||
|
6 |
HJN.36.1220 |
1365 |
1075 |
120 |
1310 |
1130 |
36 |
24 |
6 |
1222 |
1218 |
105 |
15 |
90 |
1.4 |
10 |
1027.8 |
104 |
15.7 |
450 |
|
HJN.36.1220A |
1 |
12 |
1017.3 |
86 |
18.8 |
|||||||||||||||
|
7 |
HJN.36.1250 |
1400 |
1090 |
120 |
1350 |
1150 |
36 |
26 |
6 |
1252 |
1248 |
105 |
15 |
90 |
-0.35 |
10 |
1037 |
105 |
15.7 |
520 |
|
HJN.36.1250A |
1 |
12 |
1028.8 |
87 |
18.8 |
|||||||||||||||
|
8 |
HJN.36.1435 |
1595 |
1278 |
120 |
1535 |
1335 |
36 |
26 |
6 |
1437 |
1433 |
105 |
15 |
90 |
1.15 |
12 |
1221.2 |
1.3 |
18.8 |
610 |
|
HJN.36.1435A |
1 |
14 |
1214.8 |
88 |
21.9 |
|||||||||||||||
|
9 |
HJN.45.1540 |
1720 |
1360 |
140 |
1660 |
1420 |
42 |
26 |
6 |
1543 |
4537 |
122 |
18 |
110 |
1.4 |
12 |
1293.1 |
109 |
23 |
732 |
|
HJN.45.1540A |
1.15 |
14 |
1284.8 |
93 |
26.8 |
|||||||||||||||
|
10 |
HJN.45.1700 |
1875 |
1525 |
140 |
1815 |
1585 |
42 |
29 |
6 |
1703 |
1697 |
122 |
18 |
110 |
1.15 |
14 |
1452.7 |
105 |
26.8 |
844 |
|
HJN.45.1700A |
1.15 |
16 |
1452.3 |
92 |
30.5 |
|||||||||||||||
|
11 |
HJN.45.1880 |
2100 |
1665 |
160 |
2030 |
1740 |
48 |
32 |
6 |
1883 |
1876 |
140 |
20 |
115 |
1.4 |
14 |
1592.6 |
115 |
27.8 |
1400 |
|
HJN.45.1880A |
1.15 |
18 |
1579.9 |
89 |
35.8 |
|||||||||||||||
|
12 |
HJN.45.2115 |
2325 |
1900 |
160 |
2245 |
1980 |
48 |
32 |
6 |
2118 |
2112 |
140 |
20 |
115 |
1.4 |
16 |
1804.1 |
114 |
31.9 |
1600 |
|
HJN.45.2115A |
1.15 |
20 |
1795.4 |
91 |
40 |
|||||||||||||||
|
13 |
HJN.45.2370 |
2600 |
2146 |
180 |
2520 |
2220 |
48 |
32 |
6 |
2373 |
2367 |
158 |
22 |
130 |
1.4 |
18 |
2065.6 |
116 |
40.7 |
2100 |
|
HJN.45.2370A |
1.15 |
22 |
2040.9 |
94 |
49.7 |
|||||||||||||||
|
14 |
HJN.45.2600 |
2835 |
2365 |
180 |
2750 |
2450 |
54 |
36 |
6 |
2603 |
2597 |
158 |
22 |
130 |
1.4 |
18 |
2263.5 |
127 |
37.6 |
2400 |
|
HJN.45.2600A |
1.15 |
22 |
2260.8 |
104 |
45.9 |
|||||||||||||||
|
15 |
HJN.50.2820 |
3085 |
2555 |
200 |
3000 |
2640 |
54 |
36 |
6 |
2823 |
2817 |
178 |
22 |
150 |
1.4 |
20 |
2455 |
124 |
52.2 |
3400 |
|
HJN.50.2820A |
1.15 |
25 |
2444.1 |
99 |
65.3 |
|||||||||||||||
|
16 |
HJN.50.3120 |
3400 |
2840 |
200 |
3310 |
2930 |
54 |
36 |
6 |
3123 |
3117 |
178 |
22 |
150 |
1.4 |
22 |
2722.5 |
125 |
57.4 |
4000 |
|
HJN.50.3120A |
1.4 |
25 |
2719 |
110 |
65.3 |
|||||||||||||||
|
17 |
HJN.50.3580 |
3920 |
3240 |
240 |
3820 |
3340 |
60 |
40 |
6 |
3583 |
3577 |
218 |
22 |
190 |
1.4 |
22 |
3118.4 |
143 |
72.7 |
6700 |
|
HJN.50.3580A |
1.4 |
25 |
3118.8 |
126 |
82.6 |
|||||||||||||||
|
18 |
HJN.50.4030 |
4370 |
3690 |
240 |
4270 |
3790 |
66 |
40 |
6 |
4033 |
4027 |
218 |
22 |
190 |
1.4 |
22 |
3558.3 |
163 |
53.6 |
7700 |
|
HJN.50.4030A |
1.4 |
28 |
3549 |
128 |
68.2 |
|||||||||||||||
|
19 |
HJN.50.4540 |
4860 |
4210 |
240 |
4760 |
4310 |
72 |
40 |
6 |
4543 |
4537 |
218 |
22 |
190 |
1.4 |
22 |
4042.2 |
185 |
72.1 |
8760 |
|
HJN.50.4540A |
1.4 |
30 |
4042.4 |
136 |
99.1 |
|||||||||||||||
注:
1、n1为润滑油孔数,均布:油杯M10×1 JB/T7940.1-JB/T7940.2.
2、安装孔n-Φ可改用螺孔;齿宽b可改为H-h。
3、表内齿轮圆周力为最大圆周力,额定圆周力取其1/2。
4、内齿变位系数均为+0.35。