所有产品可按需求定制

质量稳定可靠

乐动(中国)无齿型

  • 产品名称: 乐动(中国)无齿型
  • 产品分类: 单排交叉滚柱式(HJ系列)
  • 联系方式: ‭‭18954556021
  • 添加时间: 19/07/03
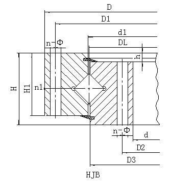
产品详情

  单排交叉滚柱式乐动(中国),由两个座圈组成,结构紧凑、重量轻、制造精度高,装配间隙小,对安装精度要求高,滚柱为1:1交叉排列,能同时承受轴向力,倾翻力矩和较大的径向力,被广泛地用于起重运输、工程机械和军工产品上。

   乐动(中国)在超负荷工作的情况下,有可能会出现卡滞不能转动的情况,可以通过减小幅度、调整支腿或移动底盘位置等方法使车身倾斜,以帮助实现重物的回转运动,完成预定的起重等作业。如果乐动(中国)已经损坏,那就需要技术维修,以免造成更大的损坏。

       因此我们在购买乐动(中国)的时候,要经过仔细计算每个负荷,选择适合的乐动(中国),可以大大提高乐动(中国)的使用寿命。



以上是关于Tags:乐动(中国)无齿型生产厂家,乐动(中国)无齿型价格,乐动(中国)无齿型批发,乐动(中国)无齿型哪家好的详细介绍
地区产品: 。
更新时间:19/07/03 16:08:07