质量稳定可靠
单排四点式外齿型乐动(中国)
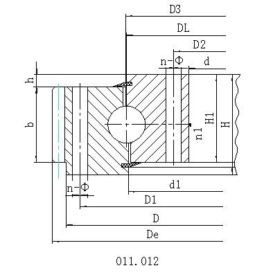
结构特点、性能、适用范围
单排四点接触球式乐动(中国)由两个座圈组成,结构紧凑、重量轻、钢球与圆弧滚道四点接触,能同时承受轴向力、径向力和倾翻力矩。回转式输送机、焊接操作机、中小型起重机和挖掘机等工程机械均可选用。
转支承的滚动表面如有裂纹、压痕或锈蚀,就会发生像铆接铆钉那样周期性的振动和噪声,其周期可能固定不变但大多与转速成一定的对应关系,伤痕在沟道上会连续发生,伤痕在钢球上就时隐时现,而且这种噪声随安装和润滑条件而有一定的变化。这类噪声的控制方法:安装时不可敲击轴承,将轴承与轴组装后再装入轴承座中时防止轴承装斜;库存时防止轴承锈蚀和运输时防止冲击振动;使用粘度高的润滑脂。
|
序号 |
外齿式 |
外型尺寸 |
安装尺寸 |
结构尺寸 |
齿轮参数 |
齿轮圆周力 |
参考 |
||||||||||||||||
|
D |
d |
H |
D1 |
D2 mm |
n |
mm |
dm |
L |
n1 |
D3 |
d1 |
H1 |
h |
b |
x |
M |
De |
z |
正火 |
调质 |
|||
|
1 |
011.20.200 |
280 |
120 |
60 |
248 |
152 |
12 |
16 |
M14 |
28 |
2 |
201 |
199 |
50 |
10 |
40 |
0 |
3 |
300 |
98 |
1.5 |
2.1 |
24 |
|
2 |
011.20.224 |
304 |
144 |
60 |
272 |
176 |
12 |
16 |
M14 |
28 |
2 |
225 |
223 |
50 |
10 |
40 |
0 |
3 |
321 |
105 |
1.5 |
2.1 |
25 |
|
3 |
011.20.250 |
330 |
170 |
60 |
298 |
202 |
18 |
16 |
M14 |
28 |
2 |
251 |
249 |
50 |
10 |
40 |
0 |
4 |
352 |
86 |
2.1 |
2.8 |
30 |
|
4 |
011.20.280 |
360 |
200 |
60 |
328 |
232 |
18 |
16 |
M14 |
28 |
2 |
281 |
279 |
50 |
10 |
40 |
0 |
4 |
384 |
94 |
1.5 |
2.8 |
34 |
|
5 |
011.25.315 |
408 |
222 |
70 |
372 |
258 |
20 |
18 |
M16 |
32 |
2 |
316 |
314 |
60 |
10 |
50 |
0 |
5 |
435 |
85 |
2.9 |
4.4 |
52 |
|
6 |
011.25.355 |
448 |
262 |
70 |
412 |
298 |
20 |
18 |
M16 |
32 |
2 |
356 |
354 |
60 |
10 |
50 |
0 |
5 |
475 |
93 |
2.9 |
4.4 |
59 |
|
7 |
011.25.400 |
493 |
307 |
70 |
457 |
343 |
20 |
18 |
M16 |
32 |
2 |
401 |
399 |
60 |
10 |
50 |
0 |
6 |
528 |
86 |
3.5 |
5.3 |
69 |
|
8 |
011.25.450 |
543 |
357 |
70 |
507 |
393 |
20 |
18 |
M16 |
32 |
2 |
451 |
449 |
60 |
10 |
50 |
0 |
6 |
576 |
94 |
3.5 |
5.3 |
76 |
|
9 |
011.30.500 |
602 |
398 |
80 |
566 |
434 |
20 |
18 |
M16 |
32 |
4 |
501 |
498 |
70 |
10 |
60 |
0.5 |
5 |
629 |
123 |
3.7 |
5.2 |
85 |
|
012.30.500 |
6 |
628.8 |
102 |
4.5 |
6.2 |
||||||||||||||||||
|
9’ |
011.25.500 |
602 |
398 |
80 |
566 |
434 |
20 |
18 |
M16 |
32 |
4 |
501 |
499 |
70 |
10 |
60 |
0.5 |
5 |
629 |
123 |
3.7 |
5.2 |
85 |
|
012.25.500 |
6 |
628.8 |
102 |
4.5 |
6.2 |
||||||||||||||||||
|
10 |
011.30.560 |
662 |
458 |
80 |
626 |
494 |
20 |
18 |
M16 |
32 |
4 |
561 |
558 |
70 |
10 |
60 |
0.5 |
5 |
689 |
135 |
3.7 |
5.2 |
95 |
|
012.30.560 |
6 |
688.8 |
112 |
4.5 |
6.2 |
||||||||||||||||||
|
10’ |
011.25.560 |
662 |
458 |
80 |
626 |
494 |
20 |
18 |
M16 |
32 |
4 |
561 |
559 |
70 |
10 |
60 |
0.5 |
5 |
689 |
135 |
3.7 |
5.2 |
95 |
|
012.25. 560 |
6 |
688.8 |
112 |
4.5 |
6.2 |
||||||||||||||||||
|
11 |
011.30.630 |
732 |
528 |
80 |
696 |
564 |
24 |
18 |
M16 |
32 |
4 |
631 |
628 |
70 |
10 |
60 |
0.5 |
6 |
772.8 |
126 |
4.5 |
6.2 |
110 |
|
012.30.630 |
8 |
774.4 |
94 |
6 |
8.3 |
||||||||||||||||||
|
11’ |
011.25.630 |
732 |
528 |
80 |
696 |
564 |
24 |
18 |
M16 |
32 |
4 |
631 |
629 |
70 |
10 |
60 |
0.5 |
6 |
772.8 |
126 |
4.5 |
6.2 |
110 |
|
012.25.630 |
8 |
774.4 |
94 |
6 |
8.2 |
||||||||||||||||||
|
12 |
011.30.710 |
812 |
608 |
80 |
776 |
644 |
24 |
18 |
M16 |
32 |
4 |
711 |
708 |
70 |
10 |
60 |
0.5 |
6 |
850.8 |
139 |
4.5 |
6.2 |
120 |
|
012.30.710 |
8 |
854.4 |
104 |
6 |
8.3 |
||||||||||||||||||
|
12’ |
011.25.710 |
812 |
608 |
80 |
776 |
644 |
24 |
18 |
M16 |
32 |
4 |
711 |
709 |
70 |
10 |
60 |
0.5 |
6 |
850.8 |
139 |
4.5 |
6.2 |
120 |
|
012.25.710 |
8 |
854.4 |
104 |
6 |
8.9 |
||||||||||||||||||
|
13 |
011.40.800 |
922 |
678 |
100 |
878 |
722 |
30 |
22 |
M20 |
40 |
6 |
801 |
798 |
90 |
10 |
80 |
0.5 |
8 |
966.4 |
118 |
8 |
11.1 |
220 |
|
012.40.800 |
10 |
968 |
94 |
10 |
14 |
||||||||||||||||||
|
13’ |
011.30.800 |
922 |
678 |
100 |
878 |
722 |
30 |
22 |
M20 |
40 |
6 |
801 |
798 |
90 |
10 |
80 |
0.5 |
8 |
966.4 |
118 |
8 |
11.1 |
220 |
|
012.30.800 |
10 |
968 |
94 |
10 |
14.1 |
||||||||||||||||||
|
14 |
011.40.900 |
1022 |
778 |
100 |
978 |
822 |
30 |
22 |
M20 |
40 |
6 |
901 |
898 |
90 |
10 |
80 |
0.5 |
8 |
1062.4 |
130 |
8 |
11.1 |
240 |
|
012.40.900 |
10 |
1068 |
104 |
10 |
14 |
||||||||||||||||||
|
14’ |
011.30.900 |
1022 |
778 |
100 |
978 |
822 |
30 |
22 |
M20 |
40 |
6 |
901 |
898 |
90 |
10 |
80 |
0.5 |
8 |
1062.4 |
130 |
8 |
11.1 |
240 |
|
012.30.900 |
10 |
1068 |
104 |
10 |
14 |
||||||||||||||||||
|
15 |
011.40.1000 |
1122 |
878 |
100 |
1078 |
922 |
36 |
22 |
M20 |
40 |
6 |
1001 |
998 |
90 |
10 |
80 |
0.5 |
10 |
1188 |
116 |
10 |
14 |
270 |
|
012.40.1000 |
12 |
1185.6 |
96 |
12 |
16.7 |
||||||||||||||||||
|
15’ |
011.30.1000 |
1122 |
878 |
100 |
1078 |
922 |
36 |
22 |
M20 |
40 |
6 |
1001 |
998 |
90 |
10 |
80 |
0.5 |
10 |
1188 |
116 |
10 |
14 |
270 |
|
012.30.1000 |
12 |
1185.6 |
96 |
12 |
16.7 |
||||||||||||||||||
|
16 |
011.40.1120 |
1242 |
998 |
100 |
1198 |
1042 |
36 |
22 |
M20 |
40 |
6 |
1121 |
1118 |
90 |
10 |
80 |
0.5 |
10 |
1298 |
127 |
10 |
14 |
300 |
|
012.40.1120 |
12 |
1305.6 |
106 |
12 |
16.7 |
||||||||||||||||||
|
16’ |
011.30.1120 |
1242 |
998 |
100 |
1198 |
1042 |
36 |
22 |
M20 |
40 |
6 |
1121 |
1118 |
90 |
10 |
80 |
0.5 |
10 |
1298 |
127 |
10 |
14 |
300 |
|
012.30.1120 |
12 |
1305.6 |
106 |
12 |
16.7 |
||||||||||||||||||
|
17 |
011.45.1250 |
1390 |
1110 |
110 |
1337 |
1163 |
40 |
26 |
M24 |
48 |
5 |
1252 |
1248 |
100 |
10 |
90 |
0.5 |
12 |
1449.6 |
118 |
13.5 |
18.8 |
420 |
|
012.45.1250 |
14 |
1453.2 |
101 |
15.8 |
21.9 |
||||||||||||||||||
|
17’ |
011.35.1250 |
1390 |
1110 |
110 |
1337 |
1163 |
40 |
26 |
M24 |
48 |
5 |
1251 |
1248 |
100 |
10<, /P> |
90 |
0.5 |
12 |
1449.6 |
118 |
13.5 |
18.8 |
420 |
|
012.35.1250 |
14 |
1453.2 |
101 |
15.8 |
21.9 |
||||||||||||||||||
|
18 |
011.45.1400 |
1540 |
1260 |
110 |
1487 |
1313 |
40 |
26 |
M24 |
48 |
5 |
1402 |
1398 |
100 |
10 |
90 |
0.5 |
12 |
1605.6 |
131 |
13.5 |
18.8 |
480 |
|
012.45.1400 |
14 |
1607.2 |
112 |
15.5 |
21.9 |
||||||||||||||||||
|
18’ |
011.35.1400 |
1540 |
1260 |
110 |
1487 |
1313 |
40 |
26 |
M24 |
48 |
5 |
1401 |
1398 |
100 |
10 |
90 |
0.5 |
12 |
1605.6 |
131 |
13.5 |
18.8 |
480 |
|
012.35.1400 |
14 |
1607.2 |
112 |
15.8 |
21.9 |
||||||||||||||||||
|
19 |
011.45.1600 |
1740 |
1460 |
110 |
1687 |
1513 |
45 |
26 |
M24 |
48 |
5 |
1602 |
1598 |
100 |
10 |
90 |
0.5 |
14 |
1817.2 |
127 |
15.8 |
21.9 |
550 |
|
012.45.1600 |
16 |
1820.8 |
111 |
18.1 |
25 |
||||||||||||||||||
|
19’ |
011.35.1600 |
1740 |
1460 |
110 |
1687 |
1513 |
45 |
26 |
M24 |
48 |
5 |
1601 |
1598 |
100 |
10 |
90 |
0.5 |
14 |
1817.2 |
127 |
15.8 |
21.9 |
550 |
|
012.35.1600 |
16 |
1820.8 |
111 |
18.1 |
25 |
||||||||||||||||||
|
20 |
011.45.1800 |
1940 |
1660 |
110 |
1887 |
1713 |
45 |
26 |
M24 |
48 |
5 |
1802 |
1798 |
100 |
10 |
90 |
0.5 |
14 |
2013.2 |
141 |
15.8 |
21.9 |
610 |
|
012.45.1800 |
16 |
2012.8 |
123 |
18.1 |
25 |
||||||||||||||||||
|
20’ |
011.35.1800 |
1940 |
1660 |
110 |
1887 |
1713 |
45 |
26 |
M24 |
48 |
5 |
1801 |
1798 |
100 |
10 |
90 |
0.5 |
14 |
2013.2 |
141 |
15.8 |
21.9 |
610 |
|
012.35.1800 |
16 |
2012.8 |
123 |
18.1 |
25 |
||||||||||||||||||
|
21 |
011.60.2000 |
2178 |
1825 |
144 |
2110 |
1891 |
48 |
33 |
M30 |
60 |
8 |
2002 |
1998 |
132 |
12 |
120 |
0.5 |
16 |
2268.8 |
139 |
24.1 |
33.3 |
1100 |
|
012.60.2000 |
18 |
2264.4 |
123 |
27.1 |
37.5 |
||||||||||||||||||
|
21’ |
011.40.2000 |
2178 |
1825 |
144 |
2110 |
1891 |
48 |
33 |
M30 |
60 |
8 |
2001 |
1998 |
132 |
12 |
120 |
0.5 |
16 |
2268.8 |
139 |
24.1 |
33.3 |
1100 |
|
012.40.2000 |
18 |
2264.4 |
123 |
27.1 |
37.5 |
||||||||||||||||||
|
22 |
011.60.2240 |
2418 |
2065 |
144 |
2350 |
2131 |
48 |
33 |
M30 |
60 |
8 |
2242 |
2238 |
132 |
12 |
120 |
0.5 |
16 |
2492.8 |
153 |
24.1 |
33.3 |
1250 |
|
012.60.2240 |
18 |
2498.4 |
136 |
27.1 |
37.5 |
||||||||||||||||||
|
22’ |
011.40.2240 |
2418 |
2065 |
144 |
2350 |
2131 |
48 |
33 |
M30 |
60 |
8 |
2241 |
2238 |
132 |
12 |
120 |
0.5 |
16 |
2492.8 |
153 |
24.1 |
33.3 |
1250 |
|
012.40.2240 |
18 |
2498.4 |
136 |
27.1 |
37.5 |
||||||||||||||||||
|
23 |
011.60.2500 |
2678 |
2325 |
144 |
2610 |
2391 |
56 |
33 |
M30 |
60 |
8 |
2502 |
2498 |
132 |
12 |
120 |
0.5 |
18 |
2768.4 |
151 |
27.1 |
37.5 |
1400 |
|
012.60.2500 |
20 |
2776 |
136 |
30.1 |
41.8 |
||||||||||||||||||
|
23’ |
011.40.2500 |
2678 |
2325 |
144 |
2610 |
2391 |
56 |
33 |
M30 |
60 |
8 |
2501 |
2498 |
132 |
12 |
120 |
0.5 |
18 |
2768.4 |
151 |
27.1 |
37.5 |
1400 |
|
012.40.2500 |
20 |
2776 |
136 |
30.1 |
41.8 |
||||||||||||||||||
|
24 |
011.60.2800 |
2978 |
2625 |
144 |
2910 |
2691 |
56 |
33 |
M30 |
60 |
8 |
2802 |
2798 |
132 |
12 |
120 |
0.5 |
18 |
3074.4 |
168 |
27.1 |
37.5 |
1600 |
|
012.60.2800 |
20 |
3076 |
151 |
30.1 |
41.8 |
||||||||||||||||||
|
24’ |
011.40.2800 |
2978 |
2625 |
144 |
2910 |
2691 |
56 |
33 |
M30 |
60 |
8 |
2802 |
2798 |
132 |
12 |
120 |
0.5 |
18 |
3074.4 |
168 |
27.1 |
37.5 |
1600 |
|
012.40.2800 |
20 |
3076 |
151 |
30.1 |
41.8 |
||||||||||||||||||
|
25 |
011.75.3150 |
3376 |
2922 |
174 |
3286 |
3014 |
56 |
45 |
M42 |
84 |
8 |
3152 |
3147 |
162 |
12 |
150 |
0.5 |
20 |
3476 |
171 |
37.7 |
52.2 |
2800 |
|
012.75.3150 |
22 |
3471.6 |
155 |
41.5 |
57.4 |
||||||||||||||||||
|
25’ |
011.50.3150 |
3376 |
2922 |
174 |
3286 |
3014 |
56 |
45 |
M42 |
84 |
8 |
3152 |
3147 |
162 |
12 |
150 |
0.5 |
20 |
3476 |
171 |
37.7 |
52.2 |
2800 |
|
012.50.3150 |
22 |
3471.6 |
155 |
41.5 |
57.4 |
||||||||||||||||||
|
26 |
011.75.3550 |
3776 |
3322 |
174 |
3686 |
3414 |
56 |
45 |
M42 |
84 |
8 |
3552 |
3547 |
162 |
12 |
150 |
0.5 |
20 |
3876 |
191 |
37.7 |
51.7 |
3500 |
|
012.75.3550 |
22 |
3889.6 |
174 |
41.5 |
57 |
||||||||||||||||||
|
26’ |
011.50.3550 |
3776 |
3322 |
174 |
3686 |
3414 |
56 |
45 |
M42 |
84 |
10 |
3552 |
3548 |
162 |
12 |
150 |
0.5 |
20 |
3876 |
191 |
37.7 |
51.7 |
3500 |
|
012.50.3550 |
22 |
3889.6 |
174 |
41.5 |
57 |
||||||||||||||||||
|
27 |
011.75.4000 |
4226 |
3772 |
174 |
4136 |
3864 |
60 |
45 |
M42 |
84 |
10 |
4002 |
3997 |
162 |
12 |
150 |
0.5 |
22 |
4329.6 |
194 |
41.5 |
57 |
4200 |
|
012.75.4000 |
25 |
4345 |
171 |
47.1 |
64.6 |
||||||||||||||||||
|
27’ |
011.50.4000 |
4226 |
3772 |
174 |
4136 |
3864 |
60 |
45 |
M42 |
84 |
10 |
4002 |
3998 |
162 |
12 |
150 |
0.5 |
22 |
4329.6 |
194 |
41.5 |
57 |
4200 |
|
012.50.4000 |
25 |
4345 |
171 |
47.1 |
64.6 |
||||||||||||||||||
|
28 |
011.75.4500 |
4726 |
4272 |
174 |
4636 |
4364 |
60 |
45 |
M42 |
84 |
10 |
4502 |
4497 |
162 |
12 |
150 |
0.5 |
22 |
4329.6 |
217 |
41.5 |
57 |
5100 |
|
012.75.4500 |
25 |
4345 |
191 |
47.1 |
64.6 |
||||||||||||||||||
|
28’ |
011.50.4500 |
4726 |
4272 |
174 |
4636 |
4364 |
60 |
45 |
M42 |
84 |
10 |
4502 |
4498 |
162 |
12 |
150 |
0.5 |
22 |
4835.6 |
217 |
41.5 |
57 |
5100 |
|
012.50.4500 |
25 |
4845 |
191 |
47.1 |
64.6 |
||||||||||||||||||
注:
1、n1为润滑油孔数,均布:油杯M10×1 JB/T7940.1-JB/T7940.2
2、安装孔n-dn1、n-dn2可改用螺孔;齿宽b可改为H-h。
3、表内齿轮圆周力为最大圆周力,额定圆周力取其1/2。
4、外齿修顶系数为0.1。