所有产品可按需求定制

质量稳定可靠

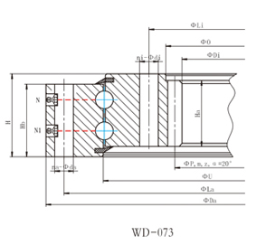
乐动(中国)内齿型

  • 产品名称: 乐动(中国)内齿型
  • 产品分类: (07系列)双列球式
  • 联系方式: ‭‭18954556021
  • 添加时间: 21/09/25
产品详情

结构特点、性能、适用范围
双列球式乐动(中国)为两排滚动体,能同时承受较大的轴向载荷、径向载荷和倾覆力矩,安全系数更高。可与各种起重机、矿山设备、挖掘机等机械设备配套。


以上是关于Tags:乐动(中国)内齿型生产厂家,乐动(中国)内齿型价格,乐动(中国)内齿型批发,乐动(中国)内齿型哪家好的详细介绍
地区产品: 。
更新时间:21/09/25 13:47:09